Thermo-théière, ou thermo pot gagne une immense popularité. Cependant, son coût est suffisamment élevé, par conséquent, pour économiser de l'argent, certains problèmes peuvent être résolus indépendamment. Il arrive souvent qu'une sueur thermique chauffe l'eau, mais ne la fait pas bouillir.

Causes de dysfonctionnement de la sueur thermique.
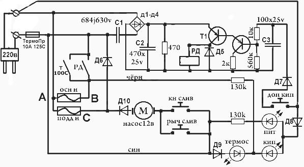
Avant de commencer à rechercher les causes d'une panne dans une thermo-bouilloire, vous devez savoir ce qu'est cet objet. Thermopot est une bouilloire électrique qui intègre la fonction d'un thermos, composée de deux bâtiments. Externe, en règle générale, est en plastique et interne - en métal. Dans le boîtier intérieur, il y a un ballon pour l'eau. La bouilloire se ferme avec un couvercle sur lequel se trouve tout le panneau de commande.

Pour corriger toute panne de la sueur thermique, la première chose à faire est de vérifier que les paramètres sont corrects. Dans le menu des paramètres, vous devez définir exactement la température de chauffage de l'eau qui est nécessaire. Si tout est en ordre avec les teintures de chauffage, les causes des dommages peuvent être:
- un interrupteur thermique situé au fond de la bouilloire;
- fusible thermique situé sur la paroi de la sueur thermique;
- contact insuffisant des connecteurs des pièces;
- dysfonctionnement de la carte électronique;
- le panneau indicateur s'est arrêté de s'éteindre. Il y a des cas où, au contraire, le panneau indicateur s'allume et la sueur thermique ne démarre pas. Si c'est la cause de la panne, alors il vaut la peine de vérifier tous ses composants, le câblage et le fusible thermique.
- La bouilloire ne fonctionne plus. Pour éliminer ce dysfonctionnement, il est nécessaire de vérifier le bon fonctionnement du circuit électrique et des interrupteurs de température.
Afin d'identifier plus précisément la cause de la panne du gadget, vous devez le démonter.


Comment démonter la sueur thermique
- La première étape consiste à retirer le capot supérieur, car cela pourrait interférer. La prochaine chose à faire est de retourner l'appareil à l'envers et d'utiliser un objet plat et pointu pour retirer l'anneau élastique, par exemple avec un tournevis ou un couteau. Pour ce faire, cela vaut la peine d'utiliser une certaine force physique.
- Plusieurs vis apparaîtront sous l'anneau du tire-bouchon, elles peuvent facilement être tordues avec un tournevis bouclé.
- L'étape suivante consiste à retirer le fond de la bouilloire avec un couteau ou un tournevis plat, nécessitant peu d'effort, car le fond est fixé avec des loquets.
Après cela, tout le remplissage électronique devant les yeux. Vous devez maintenant vérifier que toutes les bornes sont bien connectées.
Important! Afin de démonter correctement la sueur thermique, vous devez avoir au moins un peu de connaissances en électricité!
Il y a des ruptures mineures dans la bouilloire. Dans de tels cas, vous pouvez fais le toi-même.
Raisons pour lesquelles la sueur thermique ne fait pas bouillir l'eau
Panne du disjoncteur thermique
Les thermorupteurs sont situés sur les murs ou le bas de la sueur thermique. Cette partie est fixée au corps principal avec des boulons, d'où part le câblage de contact. Afin de maintenir le transfert de chaleur à l'intérieur du récipient, les points de fixation des interrupteurs thermiques sont recouverts d'un composé blanc spécial. Pour le retirer, il suffit de déconnecter le contact de l'interrupteur thermique et de le retirer. En position calme, l'interrupteur se met en marche. Vous pouvez vérifier son bon fonctionnement à l'aide d'un testeur spécial (ses lectures doivent être égales à 0). Il est nécessaire de fixer deux fils au commutateur thermique et de l'abaisser dans de l'eau bouillante. À ce moment, sa résistance devrait augmenter et le testeur devrait montrer un nombre infini - de telles lectures indiquent l'aptitude au service de la pièce.Si les lectures du testeur ne bougent pas, vous devez remplacer le commutateur thermique par un similaire.

Important! Avant d'acheter un interrupteur thermique, consultez un ingénieur électricien ou un détaillant au magasin.
Si thermopot fait bouillir constamment de l'eaualors vous devriez faire attention aux interrupteurs thermiques. Très probablement, vous devrez remplacer l'un d'eux.
Échec de deux spirales

Toute sueur thermique a deux spirales chauffantes, chacune remplissant sa propre fonction. Le premier est destiné à faire bouillir l'eau, et le second effectue un chauffage constant du contenu de cet appareil.
Si la panne de la sueur thermique s'est produite en raison d'un dysfonctionnement des spirales chauffantes, il n'est pas logique de la réparer. Cet événement prendra beaucoup de temps et de budget familial. Avec un grand nombre de lacunes, il est préférable d'acheter une nouvelle bouilloire, car le remplacement de tous les fils et du réservoir en même temps coûtera beaucoup d'argent.
Important! Quel que soit le fabricant et le volume du fabricant, chaque sueur thermique est équipée de plusieurs modes de chauffage, grâce auxquels chacun peut régler la température optimale pour chauffer l'eau.
Mais les experts conseillent d'acheter des bonbons thermiques n'ayant pas plus de trois modes de chauffage, car cela suffit pour une utilisation optimale de l'appareil. Les modèles les moins chers de bouilloires thermiques ont un mode de chauffage de l'eau. Cette fonctionnalité mérite également d'être envisagée lors de l'achat d'une thermo-bouilloire.
Pourquoi la sueur thermique ne chauffe-t-elle pas l'eau?
Le principal problème de toute sueur thermique est le chauffage de l'eau. Souvent, les raisons sont des courts-circuits dans le circuit, y compris le chauffage. Des courts-circuits peuvent se produire dans le radiateur lui-même, les relais et les fusibles. Le moyen le plus simple de le savoir est de «faire sonner» chaque élément, ainsi que tout le câblage avec un multimètre. En utilisant cette méthode, vous pouvez facilement déterminer quelle pièce doit être remplacée ou réparée.

Dysfonctionnement du fusible thermique

Alors, quel rôle joue un fusible thermique dans une bouilloire électrique? Cette pièce de rechange est l'une des plus nécessaires dans l'appareil appareil. Il protège l'appareil de la combustion. Si au moins l'un des fusibles cesse de fonctionner, l'eau cesse de chauffer.
En règle générale, ces pièces sont fixées aux parois latérales de la sueur thermique. Mais dans certains modèles, ils peuvent être installés sur le fond et leur apparence ressemble à de petits cylindres. Ils commencent à fonctionner lorsque la température de l'eau atteint un point d'ébullition. Leur rôle est d'éteindre l'appareil s'il n'y a pas assez d'eau dedans. Si les fusibles thermiques commencent à fonctionner avant que l'eau ne bout, cela peut entraîner une surchauffe du flux thermique, et il ne bouillira pas, mais chauffera simplement l'eau. Pour vérifier la santé de cet appareil, il doit être placé dans de l'eau bouillante. Et s'il s'allume avant de bouillir, cela signifie qu'il est défectueux et doit être remplacé.
Réparation de fusibles thermiques.
Il est nécessaire de vérifier tous les principaux composants de l'appareil avec un multimètre. Test du relais thermique. Pour ce faire, le testeur doit être réglé sur un mode qui vous permet de mesurer la résistance.

Le multimètre montre une absence totale de résistance, ce qui signifie que c'est lui qui est la principale raison pour laquelle la sueur thermique ne chauffe pas l'eau. Et cela signifie que le capteur doit être remplacé par un nouveau. Pour le remplacer, vous avez besoin d'un tournevis bouclé. Avec son aide, il est nécessaire de dévisser les boulons qui fixent le capteur et de le remplacer par un boulon fonctionnel.
Important! Il convient de rappeler que la température constante du fusible thermique, en état de marche, est d'environ 900AVEC.
Si après avoir changé le relais thermique la sueur thermique a commencé à fonctionner en mode normal, cela signifie que les efforts n'ont pas été vains et que la réparation a été effectuée avec succès.
Thermopot ne pompe pas l'eau - réparation de pompe thermopot à faire soi-même
Comment réparer une sueur thermique de vos propres mains: causes et leur élimination
Meilleures bouilloires électriques - TOP-10 pour 2019
Consommation d'énergie pour différents types de chaudières
Quelle bouilloire électrique est préférable de choisir? Évaluation des meilleures bouilloires électriques 

