Le ventilateur est présent dans de nombreux types d'appareils électroménagers. En particulier, dans la salle de bain ou les toilettes, il est nécessaire d'éliminer rapidement l'air humide à travers la hotte. La ventilation naturelle dans les maisons anciennes ne fonctionne le plus souvent pas assez intensivement, car elle a été développée en tenant compte de l'installation de fenêtres en bois (les fenêtres modernes à double vitrage ne permettent pas à l'air de passer). Pour établir la ventilation dans l'appartement, des ventilateurs d'extraction sont installés. Et pour que cet appareil dure longtemps, un régulateur spécial a été inventé qui peut réduire ou augmenter la vitesse de rotation des plaques.
Types et fonctionnalités de l'appareil
Par type de conception, 2 types de ventilateurs sont distingués:
- Axial. Il y a un moteur avec un rotor externe. Une turbine y est attachée. Le mouvement des masses d'air coïncide avec l'axe du rotor. Ce type de ventilateur a l'avantage d'être compact. Sa productivité est moyenne. Convient aux petites et moyennes pièces. Autrement dit, l'emplacement de montage du ventilateur ne doit pas être éloigné de plus de 2 mètres de la sortie de ventilation.
- Radial (centrifuge). Ici, les plaques sont attachées à un anneau spécial. L'air pénètre dans l'appareil par la face avant et sort par le côté à angle droit. Contrairement au axial, un ventilateur radial est plus efficace. Il est monté dans de grandes pièces d'une superficie de plus de 12 mètres cubes.

Types de ventilateurs d'extraction
Pour la salle de bain, ils choisissent principalement une vue axiale, car peu de personnes peuvent se targuer d'un espace spacieux dans cette pièce. Le coût de tels appareils est faible. Le ventilateur fait bien son travail si la distance à la sortie de ventilation est correctement sélectionnée. Mais s'il dépasse la valeur maximale - 2 mètres, il convient de considérer la version radiale de l'appareil.
Les ventilateurs d'extraction sont également classés selon la façon dont la conception a été installée. L'installation peut se faire:
- sur le mur;
- au plafond;
- à la fois sur le mur et au plafond (vous devez choisir où);
- dans le conduit de ventilation.
La caractéristique du type de canal nécessite une attention particulière. De tels dispositifs sont montés dans l'espace du conduit de ventilation. Il est utilisé lorsqu'il n'y a qu'un seul canal et que vous devez y connecter plus de pièces. Cependant, cela ne signifie pas qu'il ne peut pas être acheté même lorsqu'une pièce est connectée.

Ventilateur d'extraction de conduit
Le choix de la direction du ventilateur de conduit se fait dans de rares cas, car le processus est plus long et une maintenance ultérieure (nettoyage, remplacement) est difficile. Cela ne s'applique pas aux maisons privées, car il peut être posé dans le grenier, ce qui simplifie considérablement la tâche.
Pourquoi ajuster la vitesse
Régulateur de vitesse (régulateur de vitesse) - un dispositif dont la fonction est de réduire et d'augmenter le nombre de tours du ventilateur d'extraction. Ceci est assuré par un changement de tension fourni à l'appareil. Pour fonctionner, il doit être connecté au ventilateur selon un schéma particulier (nous en reparlerons plus tard).
Par les spécificités de son appareil, le ventilateur fonctionne toujours à pleine puissance, ce qui affecte considérablement sa durée de vie dans une moindre mesure - les éléments s'usent et se décomposent rapidement.
Important! Un travail "au maximum" conduit non seulement à une panne rapide, mais consomme également beaucoup d'électricité.
Par conséquent, il est utile de savoir comment réduire la vitesse du ventilateur d'extraction pour augmenter la durée de vie opérationnelle de l'équipement.
En plus d'augmenter la résistance à l'usure, le ventilateur avec le contrôleur commence à souffler plus doucement, l'électricité est consommée dans une moindre mesure.
Les principaux types de régulateurs
Tous les contrôleurs peuvent être divisés selon le principe de régulation:
- Contrôleur de vitesse de transformateur. Conçu pour les fans puissants. Le moteur est monophasé ou triphasé. La réduction de vitesse est fluide et peut être effectuée sur plusieurs appareils en même temps.
- Régulateur de vitesse électronique
- Régulateur de vitesse à thyristors. Empêche la surchauffe du boîtier, fonctionne efficacement dans les équipements monophasés.
- Contrôleur de vitesse de fréquence.
- Régulateur de vitesse Triac. Le plus commun. Capable de couvrir non pas un mais plusieurs moteurs à la fois. Il est très important que l'indicateur actuel ne dépasse pas la valeur limite, la plupart des modèles sont silencieux.
- Contrôleur de vitesse de fréquence. Ces modèles peuvent être utilisés exclusivement dans la plage de 0 à 480 volts. Convient aux moteurs triphasés d'une puissance n'excédant pas 75 000 watts.
Caractéristiques de l'utilisation des appareils
Vous devez d'abord comprendre le principe général du travail. Il vise à modifier la puissance du flux d'air et affecte l'échange d'air en général. Le contrôle de la vitesse est obtenu de l'une des manières suivantes:
- un changement de la tension fournie à l'enroulement;
- changement de fréquence actuelle.
En pratique, les appareils du premier type sont toujours utilisés, car un régulateur basé sur un changement de fréquence est parfois plus cher que le ventilateur lui-même. Une telle acquisition n'est en outre justifiée par aucun avantage.
Curieusement, mais l'utilisation des contrôleurs est très large: équipements industriels, lieux publics (restaurants, gymnases, bureaux). Partout où une ventilation intensive et sa régulation sont nécessaires.
La gestion peut être mécanique et automatique. Le contrôle mécanique est effectué à l'aide d'une roue spéciale, ce qui permet de réduire progressivement et en douceur la vitesse du ventilateur d'extraction. Cette méthode de contrôle est typique des modèles triacs.
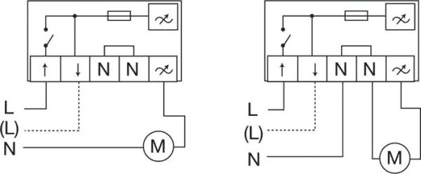
Règles de connexion du contrôleur
Nous déterminerons comment connecter le régulateur, en fonction de son type.
Commençons par les types les plus courants - triac et thyristor. Leur installation est très simple. S'il existe un schéma nécessaire, toute personne pourra y naviguer (voir ci-dessous). La régulation est effectuée par l'unité de contrôle. Chaque modèle a sa propre puissance - il ne peut pas supporter plus de tension.

Schéma de connexion des contrôleurs triac et thyristor
Important! Le moteur du ventilateur d'extraction doit avoir une protection contre la surchauffe.
Le deuxième type est le transformateur. La tension d'entrée est de 230 volts. L'enroulement a un certain nombre de branches. Pour réduire la tension, il est nécessaire de leur connecter une charge. Une fois la tension diminuée, la consommation d'énergie diminue. L'interrupteur vous permet de connecter le moteur à la zone souhaitée de l'enroulement, puis la tension change.

Schéma de connexion de type transformateur
Si nous considérons des modèles du principe de fonctionnement électronique, le schéma de connexion sera différent. Ici, en utilisant la modélisation d'impulsion, la tension est modifiée en douceur. Plus les impulsions sont longues et le temps de pause plus court, plus la tension est élevée et vice versa - des impulsions courtes avec de longues pauses indiquent une tension basse.

Schéma de modèles du principe d'action électronique
Si le ventilateur a une minuterie, cela fonctionne sur un principe différent - l'éclairage est allumé avec le ventilateur. Après avoir éteint la lumière, l'appareil continue de fonctionner pendant un certain temps. Schéma et exemple de connexion d'un ventilateur d'extraction avec une minuterie dans l'image ci-dessous.

Schéma de câblage du ventilateur d'échappement avec minuterie
Un câble d'alimentation (FZN) est tiré dans la boîte de jonction, un câble à deux fils est passé de celui-ci au commutateur. Triple fil à la source lumineuse et 4 fils sont connectés au ventilateur. Vous devez maintenant effectuer leur connexion dans la boîte d'alimentation.
Un fil bleu est pris, qui est conduit à la lampe, et un fil bleu, qui va au contact N. Ils sont nettoyés et torsadés ensemble. Ensuite, vous devez prendre, dénuder le fil de phase, brun de l'interrupteur et brun du ventilateur d'échappement (contact L) et torsader ces 3 fils ensemble.
Ensuite, nous prenons l'alimentation jaune, jaune de la lampe, jaune du ventilateur avec la masse du contact - nous nettoyons et tournons.
Le brun du luminaire, supplémentaire du contact LT (alimentation de la minuterie), le bleu à deux conducteurs, allant à l'interrupteur, sont torsadés ensemble.
L'étape suivante consiste à souder et à sertir les fils, à isoler et à les poser dans une boîte. Il existe de nombreuses options de connexion, mais celle décrite est la plus populaire et éprouvée. La dernière étape consiste à appliquer une tension et à vérifier la fonctionnalité du circuit.
Régulateur: assemblage bricolage
Après avoir alloué une heure ou deux de temps libre, vous pouvez construire vous-même un régulateur. Tu auras besoin de:
- résistance (ci-après - P);
- résistance variable (ci-après - OL);
- transistor (ci-après - T).
La base T est soudée au contact central du PR, le collecteur à la sortie latérale. Une résistance avec une résistance de 1000 Ohms doit être connectée au bord opposé du PR. La deuxième sortie P est soudée à l'émetteur T.

Ensemble contrôleur
Reste à connecter le fil de tension d'entrée à T (il est déjà couplé à la sortie extrême du PR). La sortie «+» est soudée à l'émetteur PR.
Pour vérifier le fonctionnement d'un détendeur fait maison, vous avez besoin d'un ventilateur. Son fil positif se connecte au fil provenant de l'émetteur. Le fil de tension de sortie est connecté à l'alimentation.
Le fil négatif doit être connecté directement. Pour vérifier, tournez la molette PR et regardez comment le nombre de révolutions change.
La conception est sûre (le fil négatif est connecté directement) - si un court-circuit se produit dans le contrôleur, rien n'arrivera au ventilateur.
Le processus de vérification ressemble à ceci:

Vérification du régulateur
Si vous le souhaitez, vous pouvez synchroniser le contrôleur avec deux ventilateurs à la fois, comme indiqué dans le diagramme:

Synchronisation du contrôleur avec deux ventilateurs
L'installation ne prend pas beaucoup de temps, surtout si vous travaillez selon des schémas prêts à l'emploi. L'essentiel est de choisir le bon appareil pour la pièce. Ne regrettez pas l'argent dépensé, car l'air pur est plus important. De plus, vous pouvez toujours économiser en fabriquant vous-même le régulateur.
Performance des fans - comment découvrir et augmenter
Vitesse du ventilateur - comment changer la vitesse du ventilateur
Cône de bricolage et pales de ventilateur pour le ventilateur
Installation et sélection d'un ventilateur pour la salle de bain et les toilettes
Ventilateurs avec clapet anti-retour - types et caractéristiques 

